璐垫棌瀹堟姢鑰呯孩钁¤悇閰?瀹堟姢鑰呮牸鑾辫嚦缇庣孩钁¤悇閰?
2025-10-12 00:59:09
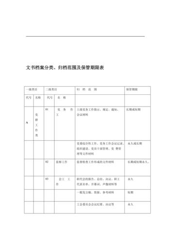
文书档案归档分类(文书档案管理)
第一节 公文管理知识要点,现在小编就来说说关于文书档案归档分类?下面内容希望能帮助到你,我们来一起看看吧!

文书档案归档分类
第一节 公文管理知识要点
要点1:收文工作
收文工作是指接收从外面寄来或送来给本企业的一切公私信件,包括文件、信函、报刊以及其他邮件。收文工作的程序包括签收、分拣、登记、转交等环节。
(一)收文。企业二级单位上报的文件、企业外部单位来文(包括函件、传真等)由行政部统一收文处理。
(二)登记。收文人员按要求对受理的文件进行登记,同时,建立健全电子文档以备查阅。
(三)拟办、批办。文件拟办、批办由企业行政部按以下程序办理:
1.下级单位上报文件:先批转至归口业务部门或主要办理业务部门牵头提出处理意见后,呈报企业分管领导或主管领导批示;较重要的文件,分办至归口业务部门的同时至企业分管领导;全局性重要文件,送请企业主要领导审示。
2.上级单位来文:(1)一般性业务类文件,由归口业务部门或主要办理业务部门牵头办理,分管领导批办;(2)重要决策性、全局性文件以及时限要求较紧的重要文件送请企业主要领导批示。
3.需要修订分办意见的,由各部门及时送回行政部重新分办,不得横传;确定主办、会办或协办部门的,由主办部门办结,会办或协办部门须通力协办,不得推诿扯皮;办文应按“同一事同一人”原则办理,即前后文件涉及的同一事项由一人办结到底;涉密文件由行政部专人按保密文件规定办理。
(四)分办。需要办理的文件,要按批办意见,分送有关部门或承办人员办理。
(五)传阅。需要传阅的文件,要按批示意见传阅。传阅中,应先送主要领导和分管领导阅,各部门间安排主管部门先看。领导阅文后要签字、注时。如有阅批意见,要按领导的意见,做好补办工作。文件传阅前,要认真登记,阅完后进行检查,随时掌握文件的去向。
(六)承办。承办部门接到需办文件后,要认真及时办理,急件随到随办。需两个以上部门承办的文件,主办部门要主动会同有关部门协商办理,并负责回复办理结果。不得拖延。
(七)催办和督办。行政部按照时限或文件要求进行催办并做好催办记录。归口业务部门或主要办理业务部门对批办文件按相关督办管理办法进行文件督办和督办手续的办理。各经办部门或经办人员要按照规定时间进行办结,若有特殊原因,不能在规定时限办结,请及时与发文单位取得联系,并说明原因。
(八)注结。文件办理完毕,应在《收文登记簿》或公文处理单上注结,注明办理日期,并简要写明办理结果。
(九)归卷。将办理完毕的文件按不同分类和序号分别归在相应的文件分类盒内,以备查考。
(十)立卷。按文书立卷有关规定整理成案卷,并填写案卷目录。
(十一)归档。处理完的文件,由行政部文书按档案要求进行归档。
要点2:发文工作
(一)拟文。企业发文由企业各业务部门拟文。拟文应确有必要,注重实效,保证质量,做到思路清晰,层次清楚,理由充分,依据可靠,数据准确,用词恰当。公文草拟好后,附上企业拟文稿纸,并在拟文稿纸上注明党委或行政拟文,依次对主送、抄报、抄送、拟稿单位、拟稿人、份数、附件、标题等各栏内容进行认真填写。
(二)审核。拟文完成后,须由部门负责人对文件内容、层次、理由、依据、原则性、必要性等要素进行认真审核,并在核稿栏签字认可。若有修改,拟稿人应按部门负责人审核意见进行修改或重新拟文报部门负责人审核签字。
(三)会签。拟稿部门应根据文件内容及工作关系,送请分管领导或相关部门会签,并收集、补充、完善会签领导或部门的意见。
(四)核稿。文件会签完后,报送企业行政部,由核稿人员就文件内容、数据、文字、文种使用、公文格式等相关要素进行复核。如有重要修改,在修改后,交由拟稿部门进行确认。
(五)签发。核稿完毕后,由业务部门报送企业相关领导签发。公文签发按下述原则办理:
1.党委文件
报上级党委文件由党委书记签发;企业党委下行文件由党委书记或委托副书记签发;相关党委成员会签。
2.行政文件
以企业名义制发的上行文件,由企业总经理(法人代表)签发或授权其他主要领导签发,总经理以及其他相关班子成员会签;以企业名义制发的下行文和平行文,涉及企业重大活动、决策以及机构调整、投资等涉及企业全局性的文件由企业总经理签发,其它涉及生产经营、行政管理的事务性文件,属总经理责权范围内的由总经理签发,相关领导成员会签;一般事务性文件由分管领导签发。
3.纪委文件
由纪委书记签发;相关纪委委员、职能部门、涉及部门会签。
4.工会文件
由工会主席签发;相关工会委员、职能部门、涉及部门会签。
5.共青团
团委书记签发;相关支委委员会签。
6.企业各部门发文使用各部门发文号,由分管领导签发。
7.签发者出差,无法及时签发时:电话请示后补签;由签发者委托其他领导签发。
8.不用红头下发的一般通知
一般事务性通知、会议通知、内部审批、回复等一般便函可以满足办文办事要求的,不再以正式文件形式发文,采用便签形式办理。
9.便签由业务部门拟稿,部门负责人对通知内容、进行认真审核,若有修改,拟稿人应按部门负责人审核意见进行修改或重新拟文报部门负责人审核签字后报分管领导审定签发。
以企业名义下发的便签,由业务部门完成签发流程后,报行政部印制下发。
以部门名义下发的便签,由业务部门完成签发程序后,由业务部门盖部门章自行印制下发。
10.会议纪要。一般由参会领导会签,主持会议领导签发;企业全局性会议纪要由主要领导签发。
(六)印制。领导签发后,由文印人员进行文件印制、装订。
(七)用印。印制好的文件,由行政部专人进行用印。
(八)分发和报送。企业文件由行政部收发员做好相关登记工作后,及时进行下发和外报、寄送工作,不得延误。急件由部门信息员传真;上报上级单位和其他单位文件由行政部统一到收文单位进行文件交换;内部交换的由行政部统一交换。
(九)文件办理。文件发放后,行政部要做好文件的催办、督办工作,业务性工作由对口业务部门进行催办,确保文件的时效性。
要点3:公文运转管理
(一)公文运转要求
1.文件收发人员必须在工作日上班第一时间登陆OA系统接收公文,及时办理和阅毕电子公文。如因出差等原因不能及时处理公文的,应设置委托代办,指定代办人代为处理工作。
2.文件收发人员在工作时间内应保持企业OA系统保持登录状态,工作日内每两小时登陆OA系统接收公文,确保文件得到及时处理。对有时限的急件,不管任何时间须立即查收、办理。
3.纸质来文签收后应及时扫描、登记并上传企业OA系统并进行处理,特急件、急件应视情况以纸质件及时处理。
4.公文经登记上传OA系统后,文件运转人员应及时分办处理,须送行政部领导或企业领导批示的,应及时提出明确拟办意见,分送企业领导批示或送有关部门办理。
5.电子公文接收失败时,应及时向发文单位提出申请,说明原因,请求重发;如因OA系统故障造成,应及时向上级办公系统管理部门反馈。
6.电子公文处理完毕,应当按照公式档案管理制度及时将公文和有关材料整理立卷,以备归档和查询。
7.企业行政部应当建立公文检查催办制度,做到紧急公文跟踪催办,重要公文重点催办,一般公文定期催办。
8.收文办理按照首办责任制的原则,依下列程序办理:
(1)行政部分办:行政部收文登记后,依据来文事由、工作界面和部门职责,在收文当天提出该公文首办部门的拟办意见、建议,转送相关业务部门办理。
(2)部门承办:承办公文的业务部门收文后,即为该公文在承办阶段的首办责任部门。办文部门必须严格遵守“一办到底”和“首办办结”的原则,自受理之日起即负责至该公文办结止。办理过程中,涉及多个部门或须请示分管领导的,均由承办部门牵头会商或请示,直至该公文办结为止。协办、配合部门不得无故拖延办文时限。
承办坚持限时办结制度:
1、有明确办理时限要求的应当在规定时限内办理完毕。
2、企业行政部收到“特急”、“加急”和其他时限要求的重要公文,必须于1个小时内登记、批办并送达受文对象。
3、承办部门收到紧急公文后,必须即到即办。“特急”件必须于1日内办结;“加急”件必须于3日内办结;其他有时限要求的紧急公文根据要求时限办结。
4、一般性公文坚持7天办结制度。各部门职责范围内能决定的事项,于受理之日起3个工作日内办结;需要协商其他部门或者需要几个部门共同办理的事项,于受理之日起5个工作日内办结;需要请示企业领导或需要企业领导开会研究决定的事项,于受理之日起7个工作日内办结;需要开展调查研究,7个工作日内不能办结的,主办部门应及时向来文单位说明情况,同时告知行政部;需要报请上主管单位审批的事项,由主办部门负责抓紧跟踪落实,并向来文单位说明情况,同时告知行政部。
(3)分管领导阅示:分管领导对承办部门提出的拟办意见批示后,由承办部门负责按分管领导指示意见办结公文。如还需请示主要领导,由分管领导酌定。
(4)主要领导审示:属紧急、重大情况和突发事件的请求、报告,由行政部第一时间报送主要领导审示。
(二)公文拟发要求
1.公文必须依据签发文稿发文,不得在发文过程中擅自增加或减少原文内容。无特殊情况,当天签发的公文必须当天印发。
2.拟稿人员在送制文前应对文稿进行认真校对,保证不出现错漏现象。制文人员应按公文格式认真排版制文,若发现原稿中有错漏、疑问之处,应向拟稿人或签发人提出检查核对,由签发人考虑修改,制文人员原则上不擅自进行更改。
3.发出的公文要进行统一登记,以便对发文进行清点、统计、控制、查找和回收。发文登记的项目要合理,登记要准确。
4.制文完成后,向上级部门报送的电子公文,由行政部按规定进行报送;其他无法通过网络报送的公文,由行政部或承办部门以纸质公文形式及时寄送相关单位。
5.公文拟制、办文经手人必须严格遵守各项保密制度,对经手的各类公文、资料要妥善保管,不失密,不泄密,确保安全无事故。
6.行政部负责公文办理程序的审核以及公文的制作、印发工作;承办部门负责公文的起草、校对、审核,并办理会签、签发等手续,对文件流程实时追踪,并对公文流转进行提醒、催办、督办。
7.公文流转进程中,为提高文件办理效率,在承办部门已对流程进行催办后2日内还未进行审核、会签的视为同意,自行转至下一步流程。
要点4:文书的写作要规范
文书是政府、企业在行政管理、商务交往活动中产生的,按照一定的生效程序和规范的格式制定的具有传递信息和记录作用的载体。
企业文书是指有一定资质的企业在行使行政、生产、销售、财务管理活动中,按照一定生效程序和规范的格式制订的具有传递信息和记录作用的一系列文字载体。
(一)企业文书的种类
企业文书的种类通常有以下3种。
1.业务书信
业务书信是为了一致可传达给全企业业务上的资讯所使用的书信。
2.一般书信
一般书信指在特定的部门之间,传达业务上的资讯所使用的书信。
3.企业外的书信
企业外的书信仅适用于与客户之间的书信。
(二)企业文书的样式
企业文书的样式通常有14种,具体见表3-1。
表3-1 企业文书的样式
1
请示
主要是指请上级指示和批准,用“请示”。
2
报告
主要是指向上级部门汇报工作,反映情况,用“报告”。
3
指示
主要是指对下级部门布置工作,阐明工作活动的指导原则,用“指示”。
4
布告
主要指对员工公布应当遵守或周知的事项,用“布告”。
5
公告
主要是指宣布重大事件,用“公告”。
6
通告
主要是指在一定范围内公布应当遵守或周知的事件,用“通告”。
7
批复
主要是指答复请示事项,用“批复”。
8
通知
主要是指传达上级的指示,要求下级办理或需要知道的事项,批转下级的文书或转发上级、同级和不相隶属单位的文书,用“通知”。
9
通报
主要是指表扬好人好事、批评错误、传达重要情况以及需要所属各单位知道的事项,用“通报”。
10
决定
主要是指对某些问题或重大行动做出安排,用“决定”。
11
决议
主要是指经过会议讨论通过,要求贯彻执行的事项,用“决议”。
12
函
主要是指平行的或不相隶属的部门之间互相商洽工作,向有关部门请示批准等询问和答复问题,用“函”。
13
会议纪要
主要是指传达会议的议定事项和主要精神,要求有关单位共同遵守执行的,用“会议纪要”。
14
制度
一般是指要求大家共同遵守的办事规程或行动准则,但在许多情况下,制度也是某一领域的制度体系,如通常所说的政治制度、经济制度、法律制度和文化制度等。
(三)文书制作的准则
无论是业务书信、一般书信,还是企业外书信都必须遵守以下的准则来制作。
1.文书制作上的注意事项
(1)书信内容必须是明确、正确的述说。
——心中想什么就明确向对方述说。
——书信的内容一般为委托、申请、承认、催促、通知、对照、回答等,需要明确地述说。
(2)内容必须简单且一目了然,尽量不用不明确或抽象的话语。
——使用简单的词汇,难懂的文言文或外国语言若无必要时尽量不用。
——在结束时,如有说明可利用附注简述。
——文书内容须简单明了。
(3)内容以4W1H为基准,大纲以此组合来述说。
4W1H是WHO(谁)、WHAT(什么)、WHEN(何时)、WHERE(哪里)、HOW(怎么做)的意思。
2.使用措辞的注意事项
(1)特殊的措辞及古老的措辞最好不用。
(2)赞美的词在必要时才使用。
(3)专业用语、学术用语等原则上只适合用在正式文书中:正常的措辞比较长,在文书之中频繁使用的时候可用“以下简称××”。
(4)词汇不要大量的使用。
3.标题的使用方法
标题大致以大分类来做顺序,如以下的记号。
1,2,3——大分类。
A,B,C——中分类。
a,b,c——小分类。
(1)(2)(3),(a)(b)(c)——细分类。
分类编号须一目了然地排列,中分类,小分类各类编排,一个编号与一个编号之间都略靠右边编排下去。如果分类项目过多时,1,2,3的前面可利用Ⅰ,Ⅱ,Ⅲ来使用编排。
4.公文文书用语
(1)公文文书写作时,须正确地、简单地使用公文文书用语。公文文书用职称(对外)见表3-2。
表3-2 公文文书用职称(对外)
区分
自己
对方
第三者
个人
团体
员工
文书
参考
访问
我个人
本企业
本职员
本函
所见
访问
××女士(先生)
贵企业
××女士(先生)
贵函
参考
拜访
××女士(先生)
××企业
××女士(先生)
信函
意见参考
访问
(2)称谓(机关公文用语)。公文文书用职称(对外)见表3-3。
表3-3 公文文书用称谓(机关公文用语)
区分
自称
上对下(或平行)
下对上
直接称谓用语
有隶属关系
本
贵
钧
无隶属关系
本
贵
大
对机关首长
本
贵
钧长
机关对属员
台端
区分
机关对团体
机关对个人
间接称谓用语
“全称”或“简称”,如一再提及必要时得称“该”;对职位称“职位”。
一律称“君”。
要点5:文件资料整理收集
(一)整理收集的目的
企业将资料文件依规定顺序来分类整理及保存,以便于取存系统化、效率化。
1.企业文书文件资料共有化
企业的文书并不是个人的私有资料,而是为了企业业务需求共同拥有的资料。即使承办人外出,在必要时,谁都可以在集中保管柜中取得资料。所以一定要严禁资料私人占有,或是书信有重复存放现象。
2.从制作日到销毁日的规则
基于文件的寿命期间,流程规则如图3-4所示。
表3-4从制作日到销毁日的规则
发生
文件的大小制件以A4为标准。文件的数量不可过多(以两张为最好)。
保管
阅览频率高的文件,置放铁柜的中心点保管,文件以企业共有财产保管。
各自保管的共有文件,在下班前应放回原位。
保存
存放事务的文件如果超过一年,应丢弃,或是放人箱子存放保管,再搁置仓库保管。
废弃
超过年数的文件应定期整理销毁,一年两次清扫存1年放已久的文件。
3.丢弃不必要的文件
过久的文件、不常去取的文件,会占用不必要的空间,应该整理销毁。
(二)资料收集整理
1.建立整顿资料的责任心
须明确各部门负责资料整理的经办人员,并让他们严格遵从归档制度的顺序。
2.整顿方法
保管文件可利用归档用具来存放,以“保存文件名称”、“当季业务年度”(开始日和结案日)等来表示,以利于整顿时的方便。归档工具如下:
(1)文件夹。
(2)资料夹。
(3)资料箱。
(4)保存箱。
(5)账簿保管箱。
(6)二、三孔夹等。
3.文件的收集
文件的收集,就是按照有关规定,把各单位、部门和个人手中分散的、种类和数量繁多的文件材料,经过挑选,分别集中到企业的档案室。
(1)收集的范围。不是每份文件都要去归档,能够归档的文件,应根据一定的实用原则,挑选出来。
凡是本企业工作活动中形成的、处理完毕的、对今后工作有参考价值的文件资料都应归档。
不能只重视经过收发登记的文件,而忽视未经收发登记的各种文件材料,如会议文件、内部文件、调查报告、访问记录、人事关系、介绍信等。
(2)收集的要求。
——属于归档范围的文件,必须收集齐全、完整。
——分类、组卷符合有关原则,能正确保持文件的自然形成联系,反映工作活动面貌。
——保管期限划分准确。
——卷内文件排列科学系统。
——标题结构完整(确切地反映了卷内文件的作者、内容、名称),文字简练、通顺。
——编目细致、清晰,编号方法统一,装订整齐、美观。
4.文件的整理
文件的整理,主要是把零散的和要进一步条理化的文件,进行基本的分类、组合和编目,使之系统起来。
(1)文件整理的内容。文件整理工作的内容主要包括分类、组卷、卷内文件的整理、案卷封面的编目、案卷的装订、案卷的排列、案卷的编制。
(2)文件整理的原则。文件整理的原则是:按照文件材料形成的自然规律,保持各文件的完整和不可分割的联系;按照文件的来源、时间和内容等条件,保持文件之间的联系,充分利用原有的整理基础;便于文件保管和利用。
(3)文件分类。文件分类就是把全部案卷,按照来源、时间、内容和形式异同,分成若干类别,分类的方法有多种。
——年度与单位分类法。就是把全部案卷先按年度分开,再在年度内按部门分类。这种分类方法简便易行、普遍采用。
——组织机构与年度分类法。就是将全部的文件,先按部门分类,然后再按年度进行分类。
(三)确定资料的销毁和保管期
1.销毁办法
(1)销毁、丢弃的文件范围。文件在保管期满时,应即刻整理丢弃。如有不必要的文件资料可依以下的注意重点来决定是否丢弃,见表3-5。
表3-5 销毁、丢弃的文件范围
销毁文件
丢弃文件
1.过久的文件,遗留下来是否需要。
2.是否有相同的资料。
3.(半年之间)资料的阅览数多少。
4.文件是否只有自己阅览,别人未曾见过。
1.过去一年之间,这些文件、资料是否有人使用。
2.相同文件是否有多数人保管(尤其书信) 。
3.开会资料、报纸资料是否需要保存。
4.是否是其他部门传阅过来的资料。
5.针对复印的文件,是否有正式原稿资料。
6.已阅读过的报纸杂志。
7.已检阅过的文件资料中有不必要的文件。
8.用己使用过的纸张来做便条纸。
(2)保存期限已到的文件资料,如果仍合业务上的需求,可继续保管。
(3)重要文件、机密文件如果销毁会引起业务上不必要的泄密,可利用碎纸机处理这些文件。
2.保管期限的计算
文件资料的保管期限,如没有特定的规定情形,可从记入日期的隔年年初开始算。
3.决定保管期限
重要文件的保管准则,会因为各部门的业务需求而保管期限不同,所以一般文件资料会由各部门保管。
保管期限可分为永久、非永久(如10年、7年、5年、3年、2年、1年)。
新制作的文件或是未决定保管期限的文件,可利用“文件保管期限准则”来分类保管。各部门确定保管期限之后,须报备行政部。
文件的保管期限变更时,也必须报备行政部。
4.保管期限准则
(1)永久。
——基础书类(专业书册、工作手册等)。
——股东会议、董事会议等重要会议所决定事项的资料。
——政府机构所发布的公文。
——历史性重要文书。
——法院裁决定件。
——企业的企划方案、企划书等资料。
——企业财产的契约书、文件。
——会计决算文件。
——人事资料、调查表、统计表。
——其他的核准函件。
(2)有关非永久保存期限者列表如下,以供参考,见表3-6。
表3-6 非永久保存期限者列表
保存年数
文件名称
备注
7年
会计传票、账簿、收据
5年
调查表、统计表、开会资料书等
3年
年度计划表、发送的一般文书、最要的一般文书。
2年
出差表、账单、薪资单、奖励单
1年
请假单、出勤(单)卡、工作考核表、职位组织表、印制申请、各类申请书、消耗品申请书。
离职后
修订后不必要文件销毁
经营管理制度、职务基准表、职位组织表、职员名册
7年
分企业账簿、买卖契约
5年
分企业的营业日报表、分企业的业务报表、年度预算报告书、客户状况调查表
3年
契约书、装订书、申请书、盘点报告表、客户一览表、进货单、送货单、汇款单、支票本、分企业职员名单、健康检查报告表、保险单文件
2年
业务书信、一般书信、个人业绩表、抱怨处理表、出差表单、异动表
1年
薪资单、年终调整表、休假单、履历表、出勤卡工作考核表、个人勤务表、各类出勤单交通费用申请单、休假、缺勤、迟到、早退、交通费补助交给明细书、福利补助申请单、借款单、各类申请单、消耗品申请书
离职后
修订后不必
要文件销毁
经营管理制度、职务基准表、员工名册、分企业职位事务处理分担准则
要点6:文书立卷归档
将本单位办理完毕的文件材料挑选出有查阅、保存价值的部分,按照形成过程中的联系和规律,组成案卷,叫文书立卷。文书立卷一般由秘书或文员负责文件的收发、登记、立卷等工作,既要保证案卷质量,又要便于有关人员需要时快速查找。
(一)立卷的原则
按照文件形成的自然规律,保持它们之间的联系,使案卷正确反映单位活动的本来面貌,分门别类,便于保管和利用。
(二)立卷的要求
文书立卷时,要求最好准确地划分保存期限,避免将永久或长期保存的文件资料同短期保管的文件材料相互混杂,给档案的保管、统计、利用工作带来不便,甚至影响重要档案的齐全完整。
(三)立卷的方法
一般情况下,可根据文件的下列特征进行立卷。
1.按主题特征立卷
就是将各文件中主题性质相同的文件组成卷案。主题可以概括,也可以具体,这要根据文件的多少来确定。比如,在一年中业务工作方面的文件,就可以按什么性质的业务来分类立成一卷,如这方面的文件数量较多,则又可细分成若干卷。
2.按时间特征立卷
就是按文件形成的时间或文件内容所针对的时间立卷。一般来说,案卷多数具有时间特征,因此在组卷时,只有对那些时间针对性较强的文件才以时间特征为主组卷。如年度预决算、季度计划、统计报表、期刊、简报等。
3.按“作者”特征立卷
“作者”是指制发文件的部门或个人。同一作者或部门的文件材料组合成为案卷,就是按作者特征立卷。
4.按文件名称特征立卷
就是将同一名称的文件、材料组成案卷。如总结、请示报告、计划、批复、简报、通知等分别立卷。一般情况下,这种立卷方法往往同按作者、按主题特征立卷方法相结合,不单独采用。
运用得最多最广的是按主题特征立卷的方法,但同时还应与其他立卷特征结合起来应用,特别是主题、作者、名称三个特征,以上几种方法立卷时,应仔细研究比较,选择其中最好的一两种相结合来立卷,以确保案卷的质量。
(四)做好平时立卷工作
行政办公人员应根据案卷类目及时把文件归入按条款设置的卷内,就是平时立卷。做好平时立卷工作要注意以下两点。
1.编好案卷类目
案卷类目就是按照立卷的原则和方法,为便于立卷而编出的案卷名册。案卷类目是由类目和条款组成的。案卷类目对平时立卷工作是十分重要的,可以保证文件的完整,便于平时查找利用文件。
2.准确确定立卷归档的范围
一个企业每年经过文书处理的文件、材料是大量的,但不能将所有的文件、材料,都立卷归档。立卷归档的重点,应以本单位形成的文件、材料为主。具体来说,有以下3个主要方面。
(1)工作、生产、社会活动中形成的具有查考价值的各种文件、材料、传真、电报(包括一些应归档而往往平时收集不够的材料,如汇报材料、调查报告、以个人名义向报刊或电台发表反映本单位的文章稿件,以及各种统计数字、报表、规章制度等)。
(2)各部门报送的重要统计、报告及其他有重要査考价值的文件。
(3)重要的来信、来访材料。
(五)调整立卷和归档
1.复查案卷文件以确定保管期限
复查案卷文件,就是要根据立卷原则、要求和特征,对卷内文件进行复查,剔除不需立卷归档的文件,纠正分类不准确的文件,然后根据档案材料保管期限来确定案卷保管期。
2.排列卷内文件
卷内文件的排列可按照时间、主题、地区、作者、名称等排列。排列时要注意正文在前、附件在后,请示在前、附文在后,最后的定稿在前、讨论修改稿在后。
3.编写卷内文件
凡列为永久和长期保管的案卷,都必须编写编号。编写编号应注意以下事项。
(1)依次为文件的每一张编一个号,而不是为每一页编号;空白纸不编张号。
(2)卷内的小册子与其他文件合在一起编编号。
(3)左侧装订的在右上角编号,右侧装订的在左上角编号。
(4)编号编写工作必须做到准确无误。
4.填写卷内目录和备考表
案卷经过复查调整,在装订前,应及时填写卷内目录。填写卷内目录时一般每一份文件分别填写。如几份文件的内容完全是针对着某一个具体问题的,也可以综合起来填写、卷内目录一般可填写相同的两份,其中一份附在卷首,不编编号,另一份留以备查。
永久、长期保存的案卷还要填写备考表,主要是为说明卷内文件的某些缺点或问题,并注明立卷人姓名,以备查考。备考表附在卷末,不编编号,应在装订前填好。
5.装订案卷
装订案卷时,要注意以下4点。
(1)修整文件,去掉文件上的所有金属物。
(2)不装订的一侧和下边,要取齐,使案卷整齐美观。
(3)装订的一侧线外要留有一定的余地避免翻阅时掉页,但又要注意不要把文件的字句订住。
(4)一般横排横写的文件在左侧装订,竖排竖写的文件在右侧装订。
6.填写案卷封面
案卷封面应工整地填写,填写的项目为:单位名称(如按问题分类,应填写类的名称)、案卷标题、卷内文件起止日期、卷内文件张数、保管期限、文书处理号。
(六)案卷的排列和编号
调卷工作结束后,要根据文件之间的联系和分类原则,对案卷进行系统的排列,将类目相同和保管期限相同的案卷依次排列,并逐个编上案卷顺序号。
(七)编制案卷目录
将已经排列、编号的案卷,按卷号顺序登记在统一印制的案卷目录上,就是编制案卷目录。案卷目录是最基本的检索工具。
(八)归档
完成了全部立卷工作,编好案卷目录后,按照档案管理的规定,将全部案卷和案卷目录移归档案室。归档时,档案室就根据案卷目录逐卷进行检查接收,如有不符合要求的地方,可进行改正。
要点7:文档的保管与利用
具有价值的文件经过立卷归档、收集整理、移归档案室后,剩下的任务就是妥善保管,以便最终的充分利用。
(一)档案材料损毁的防治
1.档案材料损毁的原因
(1)内因。内因是指档案本身制成材料的质量,如纸张、墨汁、墨水、油墨等材料的质量如何,将直接影响档案材料的保管。
(2)外因。外因主要有自然环境、保管条件和人为因素等。如不适宜的温度、相对湿度,各种有害生物、光线、灰尘、气体、人为的破坏等。
2.档案材料损毁的防治
针对档案损毁的原因,除在形成文件过程中,如在印制文件时选用质量较好的纸张(含纤维素较多、颜色较白、表面平细、拉力强的纸)、墨水、墨汁、油墨外,还必须要有专门放置档案的处所和箱柜。还应根据需要和可能,配置温度计、湿度计、防虫剂、吸水剂、防尘和除湿器械。档案库房应严格控制温湿度(温度一般在14~18”℃,相对湿度控制在50%~65%),要避光和密闭,防止并最大限度地减少光线、有害气体、灰尘、微生物侵害档案材料,要注意防虫和防霉,注意防火、防盗和防鼠。
(二)档案的利用
1.档案利用工作的基本要求
(1)必须熟悉档案室(柜)内保存档案材料的情况,包括内容、范围、存放地点、完整情况和作用等。
(2)摸清单位利用档案的规律,了解上级和各部门需要利用的内容和要求。
(3)有计划、有重点地编制必要的检索工具和参考资料。
(4)建立查阅制度,主要有查阅手续、摘抄、复印范围及清点、核对手续、查阅注意事项等。
2.提供利用的方式
(1)设立阅览室,开展阅览工作。
(2)将档案材料借出,供利用者暂时使用。
(3)将档案材料进行复制提供利用。
(4)根据档案内容编写综合资料提供利用。
3.检索工具的主要种类
(1)揭示和介绍整个档案所存的全部或其中一部分档案材料,如案卷目录、卷内目录、重要文件目录等。
(2)揭示和介绍档案室所存的一个专题的材料,如专题卡片、专题目录、专题介绍等。
(3)指明档案材料的有效地点和一定事物所涉及的档案材料,如存放地点索引、人名或地名索引等。
组织沿革的内容主要包括组织的成立和变动时间、部门设置、名称改变、地址的变迁、职权范围和任务及其变化等情况。
4.参考资料的种类
(1)大事记。就是按时间顺序简要地记载一定时期的重大活动的资料
(2)组织沿革。就是系统地记载一个组织、一个部门的变革情况。
5.基础数字汇编
就是以数字形式反映一个组织某方面基本情况的资料。基础数字的种类较多,从时间上看,有长期的,有短期的;从形式上看,有文字的,有图表的;从内容上看,有综合的,有专题的。
6.专题资料汇编
就是用文字简要叙述某一时期某一方面的经营、生产、业务问题以及产生、发展、变化情况。
7.文件汇编
就是把重要文件某一方面的方案决策或某项目的文件汇编在一起。
,
2025-10-12 00:59:09
2025-10-11 18:09:02
2025-10-11 18:06:47
2025-10-11 18:04:32
2025-10-11 18:02:17
2025-10-11 18:00:02
2025-10-11 17:57:48
2025-10-11 17:55:33
2025-10-11 17:53:18
2025-10-11 17:51:03
2025-10-11 17:48:48
2025-10-11 17:46:33
2025-10-11 17:44:18
2025-10-11 17:42:03
2025-10-11 17:39:48
2025-10-11 17:37:33
2024-10-13 22:32:53
2024-08-30 07:01:43
2024-08-30 06:59:37
2024-08-30 06:57:32